
夹壳联轴器 特点及应用场合:无补偿性能,不能缓冲、减振,装拆方便,结构简单,形状较复杂、工艺性差,平衡精度低。适用于载荷平稳、低速工况条件 。


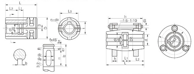
JQ/JQW夹壳式联轴器基本参数和主要尺寸(HG3-213-65)
型号 | 孔径 | Mmax | D | L | L1 (H8/j7) | L2 | L0 | n-d0 | d1 (H11/h11) | d2 (H11) | a1 (H11) | b1 | l1 | l2 | R | f | b | t | 重量(kg) |
JQ-25 | 25 | 90 | 95 | 110 | 20 | 45 | 58 | 4-12 | 32 | 20 | 5 | 4 | 35 | 60 | 0.2 | 0.4 | 8 | 28.3 | 4.47 |
JQ-30 | 30 | 90 | 102 | 130 | 20 | 55 | 64 | 4-14 | 38 | 25 | 5 | 4 | 45 | 70 | 0.2 | 0.4 | 8 | 33.3 | 4.47 |
JQ-35 | 35 | 236 | 118 | 162 | 20 | 71 | 80 | 6-14 | 43 | 30 | 5 | 4 | 55 | 85 | 0.4 | 0.6 | 10 | 38.3 | 7.60 |
JQ-40 | 40 | 236 | 118 | 162 | 20 | 71 | 80 | 6-14 | 48 | 35 | 5 | 6 | 55 | 85 | 0.4 | 0.6 | 12 | 43.3 | 7.60 |
JQ-45 | 45 | 530 | 135 | 190 | 24 | 83 | 94 | 6-14 | 57 | 37 | 6 | 5 | 70 | 100 | 0.4 | 0.6 | 14 | 48.8 | 10.85 |
JQ-50 | 50 | 530 | 135 | 190 | 24 | 83 | 94 | 6-14 | 62 | 42 | 6 | 5 | 70 | 100 | 0.4 | 0.6 | 14 | 53.8 | 10.85 |
JQ-55 | 55 | 530 | 135 | 190 | 24 | 83 | 94 | 6-14 | 67 | 47 | 6 | 5 | 70 | 100 | 0.6 | 1 | 16 | 59.3 | 10.85 |
JQ-60 | 60 | 1400 | 172 | 250 | 30 | 110 | 124 | 8-18 | 73 | 50 | 8 | 6 | 100 | 130 | 0.6 | 1 | 18 | 64.4 | 25.06 |
JQ-65 | 65 | 1400 | 172 | 250 | 30 | 110 | 124 | 8-18 | 78 | 55 | 8 | 6 | 100 | 130 | 0.6 | 1 | 18 | 69.4 | 25.06 |
JQ-70 | 70 | 1400 | 172 | 250 | 30 | 110 | 124 | 8-18 | 83 | 60 | 8 | 6 | 100 | 130 | 0.6 | 1 | 20 | 74.9 | 25.06 |
JQ-80 | 80 | 2650 | 185 | 280 | 38 | 131 | 138 | 8-18 | 94 | 7 | 10 | 8 | 110 | 145 | 0.6 | 1 | 22 | 85.4 | 30.16 |
JQ-85 | 85 | 2650 | 185 | 280 | 38 | 121 | 138 | 8-18 | 99 | 75 | 10 | 8 | 110 | 145 | 0.6 | 1 | 22 | 90.4 | 30.16 |
JQ-90 | 90 | 5200 | 230 | 330 | 38 | 146 | 164 | 8-23 | 105 | 80 | 10 | 8 | 140 | 170 | 0.6 | 1 | 25 | 95.4 | 56.38 |
JQ-95 | 95 | 5200 | 230 | 330 | 38 | 146 | 164 | 8-23 | 110 | 85 | 10 | 8 | 140 | 170 | 0.6 | 1 | 25 | 100.4 | 56.38 |
JQ-100 | 100 | 5200 | 230 | 330 | 38 | 146 | 164 | 8-23 | 115 | 90 | 10 | 8 | 140 | 170 | 0.6 | 1 | 28 | 106.4 | 56.38 |
JQ-105 | 105 | 5200 | 230 | 330 | 38 | 146 | 164 | 8-23 | 120 | 95 | 10 | 8 | 140 | 170 | 0.6 | 1 | 28 | 111.4 | 56.38 |
JQ-110 | 110 | 9000 | 260 | 390 | 46 | 172 | 190 | 8-23 | 125 | 100 | 12 | 10 | 160 | 200 | 0.6 | 1 | 28 | 116.4 | 90 |
JQ-115 | 115 | 9000 | 260 | 390 | 46 | 172 | 190 | 8-23 | 130 | 105 | 12 | 10 | 160 | 200 | 0.6 | 1 | 32 | 122.4 | 90 |
JQ-120 | 120 | 9000 | 260 | 390 | 46 | 172 | 190 | 8-23 | 135 | 110 | 12 | 10 | 160 | 200 | 0.6 | 1 | 32 | 127.4 | 90 |
JQ-125 | 125 | 15000 | 280 | 440 | 54 | 193 | 210 | 10-23 | 140 | 115 | 14 | 12 | 180 | 225 | 0.6 | 1 | 32 | 132.4 | 125 |
JQ-130 | 130 | 15000 | 280 | 440 | 54 | 193 | 210 | 10-23 | 146 | 118 | 14 | 12 | 180 | 225 | 0.6 | 1 | 32 | 137.4 | 125 |
JQ-140 | 140 | 15000 | 300 | 440 | 54 | 193 | 230 | 10-23 | 158 | 128 | 14 | 12 | 180 | 225 | 0.6 | 1 | 36 | 148.4 | 125 |
JQ-150 | 150 | 28000 | 340 | 500 | 64 | 218 | 260 | 10-33 | 170 | 134 | 16 | 14 | 200 | 255 | 0.6 | 1 | 36 | 158.4 | 215 |
JQ-160 | 160 | 28000 | 340 | 500 | 64 | 218 | 260 | 10-33 | 180 | 144 | 16 | 14 | 200 | 255 | 0.6 | 1 | 40 | 169.4 | 215 |
JQ-180 | 180 | 31000 | 380 | 560 | 72 | 244 | 300 | 10-33 | 200 | 162 | 18 | 16 | 240 | 285 | 1 | 1.5 | 45 | 190.4 | 350 |
JQ-200 | 200 | 33750 | 420 | 640 | 80 | 280 | 340 | 10-33 | 220 | 182 | 20 | 18 | 270 | 325 | 1 | 1.5 | 45 | 210.4 | 516 |
注:JQW型为夹壳式联轴器是JQ型夹壳式联轴器取消息悬吊环,避免轴向重复定位的结构,可在单支点机架中使用。
JJQ型紧箍夹壳联轴器主要尺寸:mm
轴径d | 25,30 | 35,40 | 45,50,55 | 65,70 | 80,85 | 90,95,100,105 | 110,115,1200 | 125,130,140 | 150,160 | 180,200 |
Mmax | 180 | 560 | 900 | 1400 | 3150 | 5600 | 12500 | 18000 | 28000 | 35000 |
D | 90 | 105 | 120 | 160 | 180 | 210 | 240 | 280 | 310 | 390 |
D0 | 70 | 85 | 100 | 135 | 155 | 180 | 210 | 240 | 270 | 340 |
D1 | 55 | 70 | 85 | 115 | 135 | 160 | 185 | 210 | 240 | 300 |
h | 16 | 20 | 24 | 30 | 36 | 40 | 45 | 50 | 55 | 60 |
L | 130 | 162 | 190 | 250 | 280 | 330 | 390 | 440 | 500 | 640 |
L1 | 120 | 150 | 170 | 220 | 250 | 290 | 350 | 400 | 460 | 600 |
d3 | M10 | M10 | M10 | M12 | M12 | M16 | M16 | M20 | M20 | M24 |
重量(kg) | 3.2 | 6.3 | 8.9 | 21 | 31 | 63 | 79 | 113 | 193 | 430 |
注:悬吊环及轴端的其它尺寸与JQ型夹壳轴器相同轴径尺寸相同。
● 夹壳联轴器是利用两个沿轴向剖分的夹壳,用螺栓夹紧以实现两轴联接,靠两半联轴器表面间的摩擦力传递转矩,利用平键作辅助联接。
●夹壳联轴器装配和拆卸时轴不需轴向移动,所以装拆很方便,夹壳联轴器的缺点是两轴轴线对中精度低,结构和形状比较复杂,制造及平衡精度较低,只适用于低速和载荷平稳的场合,通常最大外缘的线速度不大于 5m/s ,当线速度超过 5m/s 时需要进行平衡校验。
●为了改善平衡状况,螺栓应正、倒相间安装。夹壳联轴器不具备轴向、径向和角向的补偿性能。
●立式夹壳联轴器的得特性与夹壳联轴器近似,结构简单,装拆方便,适用于低速(最高圆周线速度为5M/S),无冲击,振动载荷平稳的场合,宜用于搅拌器等立轴的联接。

公司生产地址:江苏省镇江市高新技术开发园区68号
销售中心地址:江苏省镇江丁卯开发区智慧大道668号705室
手机:孙女士 18952800101
QQ:1991897647
电话:0511-85788529
传真:0511-85019680(自动接收)
企业邮箱:sales@lzqgs.cn
Copyright © 丹阳市开发区福克联轴器厂 版权所有 苏ICP备19059311号-2
苏公网安备32111202000940号 技术支持:江苏易润
专业生产:弹性联轴器 | 弹性柱销联轴器 | 弹性星型联轴器 | 梅花形弹性联轴器 | 中间轴柱销齿式联轴器