

WJA滚子联轴器 特点及应用场合:适用于起重机、提-升机构的减速器与卷筒的联接及其他类似机构的联接,可传递转矩及支承径向载荷,结构紧凑.工作稳定。
WJ型--内花键联接型;
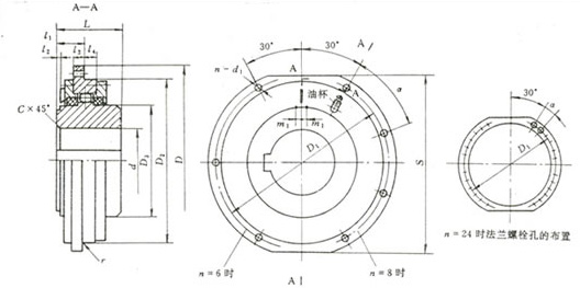
WJA型--轴孔单键联接型;

WJA型球面滚子联轴器基本参数和主要尺寸:(JB/T 7009-93) mm


公司生产地址:江苏省镇江市高新技术开发园区68号
销售中心地址:江苏省镇江丁卯开发区智慧大道668号705室
手机:孙女士 18952800101
QQ:1991897647
电话:0511-85788529
传真:0511-85019680(自动接收)
企业邮箱:sales@lzqgs.cn
Copyright © 丹阳市开发区福克联轴器厂 版权所有 苏ICP备19059311号-2 技术支持:江苏易润
专业生产:弹性联轴器 | 弹性柱销联轴器 | 弹性星型联轴器 | 梅花形弹性联轴器 | 中间轴柱销齿式联轴器